GUIDE DE PREPARATION A L’INSTALLATION
 
Nous vous remercions de votre confiance pour l’investissement de votre nouvelle machine-outil. Vous trouverez ci-dessous les préconisations pour la préparation à l’arrivée de cette dernière. Pour toutes questions complémentaires, n’hésitez pas à nous contacter.
 02 51 34 12 12
		02 51 34 12 12
Sommaire :
1. Caractéristiques



2. Manutention et transport
Les cisailles sont des machines à manutentionner avec une grande précaution.
 
 
La cisaille ADFORM est
équipée de 2 trous sur les parties hautes des flans de la machine. Ces 2 points
vous permettent de positionner les manilles bien dimensionnés pour l’élingage
de la machine


3. Positionnement
La cisaille est un moyen de production, et il est important de la positionner dans l’atelier en prenant en considération les flux et les accès maintenance. Ci-dessous plan avec les distances préconisées par le constructeur.

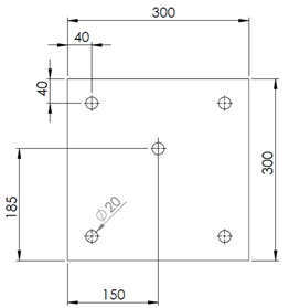
Pour assurer une bonne stabilité de la machine dans le temps, il est impératif de positionner la machine sur x4 platines métalliques, et il est obligatoire de sceller la machine au sol. Ci-dessous préconisation pour les dimensions des platines

2 Types de scellement sont préconisés :
-     
Chenille
mécanique type M16-30.48/150
-      Chenille chimique type spit viperXtrem


4. Alimentation
Tension : 400 VAC.
Raccordement : Sur un coffret électrique, équipé d’une protection différentielle en amont de 300mA, courbe D, 3 phases + Neutre + Terre :
Câble : La section du câble est fonction de la longueur de ce dernier et de la puissance de la machine. Votre électricien pourra déterminer celui-ci : 5Gxmm²
Pneumatique : Cette machine ne requiert pas d’alimentation en air (sauf si l’option support tôle fine a été commandé
Puissance moteur en fonction du type de la machine :

L’armoire électrique se trouve sur la gauche de la cisaille lorsque vous êtes en face de cette dernière. Il faut prévoir un mètre pour ouvrir l’armoire.



