
GUIDE DE PREPARATION A L’INSTALLATION
Nous vous remercions de votre confiance pour l’investissement de votre nouvelle machine-outil. Vous trouverez ci-dessous les préconisations pour la préparation à l’arrivée de cette dernière. Pour toutes questions complémentaires, n’hésitez pas à nous contacter.
02 51 34 12 12
Sommaire :
1 - Caractéristiques




2 - Manutention et élingage
Les presses plieuses sont des machines à manutentionner avec une grande précaution. En effet, une partie importante de la masse de la machine se trouve sur la face avant (tablier supérieur et inferieur) et l’équilibre de la machine lors de la manutention est donc très précaire.
La presse plieuse ADFORM est équipée trous de levage sur les montants. Ce sont les x2 points d’élingage pour la manutention.



3 - Positionnement
La presse plieuse est un moyen de production, et il est important de la positionner dans l’atelier en prenant en considération les flux et les accès maintenance. Ci-dessous plan avec les distances préconisées par le constructeur

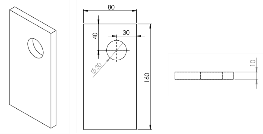
Pour assurer une bonne stabilité de la machine dans le temps, il est impératif de positionner la machine sur x4 platines métalliques, et il est fortement recommander de sceller la machine au sol. Ci-dessous préconisation pour les dimensions des platines

4. Alimentation
Tension : 400 VAC.
Raccordement : Sur un coffret électrique, équipé d’une protection différentielle en amont de 300mA, courbe D, 3 phases + Neutre + Terre :
Câble : La section du câble est fonction de la longueur de ce dernier et de la puissance de la machine. Votre électricien pourra déterminer celui-ci : 5Gxmm²
Pneumatique : Cette machine ne requiert pas d’alimentation en air
Puissance moteur en fonction du type de la machine :
L’armoire électrique se trouve sur la gauche de la plieuse lorsque vous êtes en face de cette dernière. Il faut prévoir un mètre pour ouvrir l’armoire.


